products
产品中心

气动阀门系列 > 气动蝶阀系列

  • 气动法兰式硬密封蝶阀

气动法兰式硬密封蝶阀

关键词:气动法兰式硬密封蝶阀
产品概述:产品介绍D641H气动法兰式硬密封蝶阀采用三偏心硬密封结构设计,经过严格的计算,“U”型密封圈与蝶板几乎无摩擦,解决了传统偏心蝶阀在启闭0度~10度瞬间密封面仍处于滑动摩擦的弊病,实现蝶板在开启瞬间密封面即分离.关闭接触即密封的效果,达到延长使用寿命、密封性能^…
产品详情 图片集锦

产品介绍

  D641H气动法兰式硬密封蝶阀采用三偏心硬密封结构设计,经过严格的计算,“U”型密封圈与蝶板几乎无摩擦,解决了传统偏心蝶阀在启闭0度~10度瞬间密封面仍处于滑动摩擦的弊病,实现蝶板在开启瞬间密封面即分离.关闭接触即密封的效果,达到延长使用寿命、密封性能^佳的目的。

  蝶板密封面采用对焊钴基硬质合金,密封面耐磨损,大规格蝶板采用绗架机构,强度高,过流面积大,流阻小的特点,其机构独特,“开关”仅需转动阀杆 90即可完成。因此硬密封蝶阀被广泛的应用到介质温度续425 ℃ 的冶金、电力、石油、化工、空气、煤气、可燃气体以及给排水等腐蚀性介质的管道上,作调节流量和截断流体的^佳装置。产品符合国家 GB/T13927-92阀门压力试验标准。


技术参数

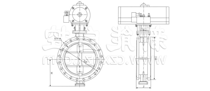
气动法兰式蝶阀结构图

主要尺寸表


  • 气动法兰式硬密封蝶阀
royal皇家88国际相关的文章
相关产品
  • 气动对夹式蝶阀
    气动对夹式蝶阀
  • 气动法兰式蝶阀
    气动法兰式蝶阀
  • 气动对夹式硬密封蝶阀
    气动对夹式硬密封蝶阀
  • 气动法兰式硬密封蝶阀
    气动法兰式硬密封蝶阀
  • 气动通风蝶阀
    气动通风蝶阀

Top