products
产品中心

电动执行器系列 > QM 系列部分回转型阀门电动装置

  • QM普通型

QM普通型

关键词:QM普通型
产品概述:QM系列部分回转型电动装置QM系列部分回转阀门电动装置有普通开关型、整体型、调节型、智能型、防爆型等系列,适用于球阀、蝶阀等做90回转的阀门。该系列产品采用全铝压铸,体积小、重量轻、性能稳定、外形美观。QM工作坏境◆输出屯圧范围: AC220V、AC380V (特殊屯圧需定制…
产品详情 图片集锦
QM系列部分回转型电动装置
QM系列部分回转阀门电动装置有普通开关型、整体型、调节型、智能型、防爆型等系列,适用于球阀、蝶阀等做90°回转的阀门。该系列产品采用全铝压铸,体积小、重量轻、性能稳定、外形美观。

QM工作坏境

  ◆输出屯圧范围: AC220V、AC380V (特殊屯圧需定制)


  ◆环境温度: -30度~+70度,防枦等级: IP65、IP67


  ◆防爆等级: EXdlIIBT4


  ◆工作制:短时10分狆

QM声品型号及功能

  QM-/W  普通开关型


  QM-IZ  整体开关型


  QM-/T  调市型


  QM-/Y  智能型


QM1-QM4型(220V单相电机)产品参数



QM1-QM4型(380V单相电机)产品参数



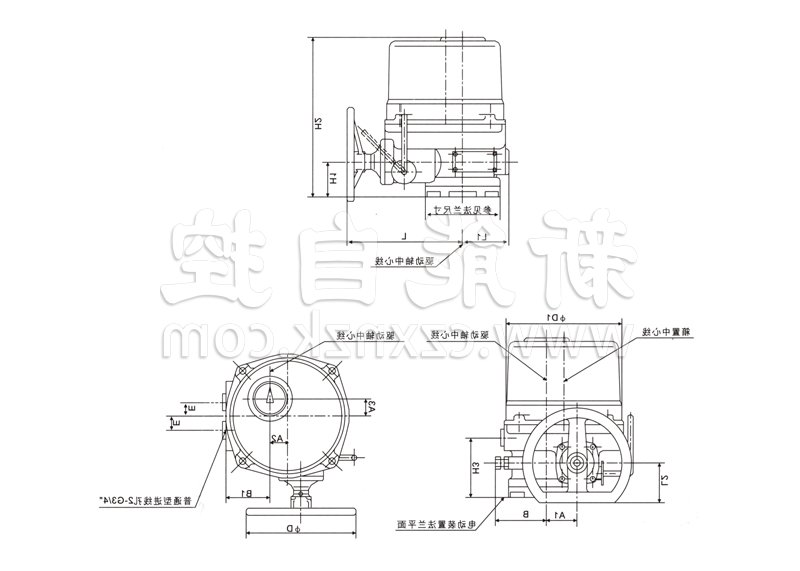
QM外形示意图



主要尺寸表



QM与阀门连接示意图


  • QM普通型
royal皇家88国际相关的文章
相关产品
  • QM智能型
    QM智能型
  • QM整体型、调节型
    QM整体型、调节型
  • QM普通型
    QM普通型

Top