products
产品中心

气动阀门系列 > 气动蝶阀系列

  • 气动法兰式蝶阀

气动法兰式蝶阀

关键词:气动法兰式蝶阀
产品概述:产品介绍D641X气动法兰软密封蝶阀产品设计新颖、合理,结构简单,体积小、重量轻,90度回转启闭迅速,操力矩小,操作方便,省力灵巧。可以然和位置安装、维系方便。密封件可以更换,密封性能可靠到达双向密封零泄漏,密封材料耐老化、耐腐蚀,使用寿命长等特点。法兰蝶阀…
产品详情 图片集锦
产品介绍
  D641X气动法兰软密封蝶阀产品设计新颖、合理,结构简单,体积小、重量轻,90度回转启闭迅速,操力矩小,操作方便,省力灵巧。可以然和位置安装、维系方便。密封件可以更换,密封性能可靠到达双向密封零泄漏,密封材料耐老化、耐腐蚀,使用寿命长等特点。

法兰蝶阀处于完全开启位置时,碟板厚度是介质流经阀体时^的阻力,因此通过该阀门做生产的压力降很小,故具有较好的流量控制特性。蝶阀不仅在石油、煤气、化工、水处理等一般工业上得到广泛应用,而且还应用于热电站的冷却水系统.


技术参数

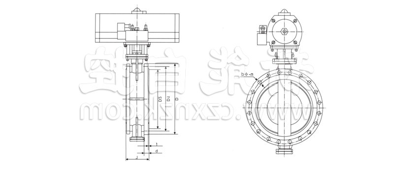
气动法兰式蝶阀结构图

主要尺寸表

  • 气动法兰式蝶阀
royal皇家88国际相关的文章
相关产品
  • 气动对夹式蝶阀
    气动对夹式蝶阀
  • 气动法兰式蝶阀
    气动法兰式蝶阀
  • 气动对夹式硬密封蝶阀
    气动对夹式硬密封蝶阀
  • 气动法兰式硬密封蝶阀
    气动法兰式硬密封蝶阀
  • 气动通风蝶阀
    气动通风蝶阀

Top