products
产品中心

电动执行器系列 > 奥科玛智能系列 > AKQ部分回转智能型电动执行器

  • AKQ部分回转智能型电动执行器
  • AKQ部分回转智能型电动执行器

AKQ部分回转智能型电动执行器

关键词:AKQ部分回转智能型电动执行器
产品概述:AUKEMA奥科玛部分回转智能型电动执行器有AKQ智能开关型和AKQM智能调节型两大控制类型。适用于对蝶阀、球阀、旋塞阀等做90度回转的阀门。
产品详情 图片集锦
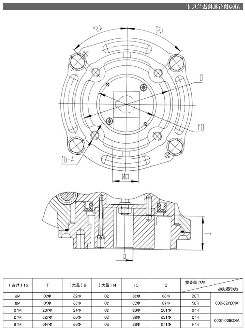
AKQ、AKQM部分回转智能型电动执行器
      AUKEMA奥科玛部分回转智能型电动执行器有AKQ智能开关型和AKQM智能调节型两大控制类型。适用于对蝶阀、球阀、旋塞阀等做90度回转的阀门。

AKQ、AKQM部分回转执行机构100NM 500NM机型

  ◆结构坚固,采取双密封,在现场接线时可有效地防水防尘(IP67/1P68- 2m, 48小时)

  ◆直接驱动角行程

  ◆三相、单相和直流电源执行机构

  ◆显示状态和设置的多语言文本显示屏

  ◆作为标准功能的内置数据记录器

  ◆对执行器进行本地和远程分析

  ◆简洁、易控制和指示功能

  ◆简单的力矩和位置控制,增强可靠性

  ◆综合控制和指示灵活性

  ◆有防水水或防爆规格可供选择

  ◆直接力矩输出范围50Nm (37 ibf ft) -500Nm (370 ibf ft)



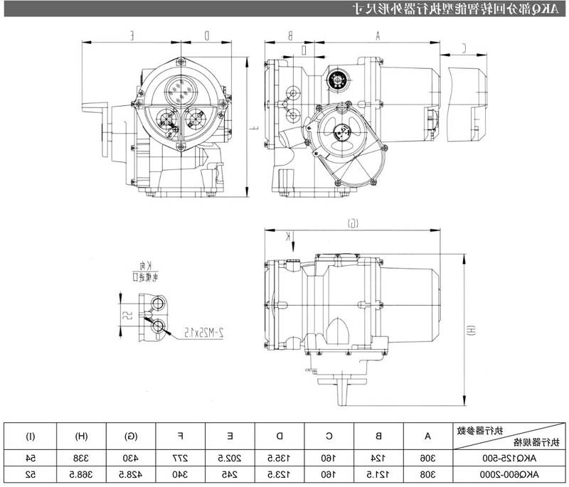
AKO、AKQM部分回转执行机构1000NM - 2000NM机型
◆结构坚固,采取双密封,在现场接线时可有效地防水防尘(IP67/IP68 - 2m, 48小时)
◆直接驱动角行程
◆三相、单相和直流电源执行机构
◆显示状态和设置的多语言文本显示屏
◆作为标准功能的内置数据记录器
◆对执行器进行本地和远程分析简洁、易控制和指示功能,简单的力矩和位置控制,增强可靠性
◆综合控制和指示灵活性
◆有防水或防爆规格可供选择
◆直接力矩输出范围600Nm ( 890 ibf ft) - 2000Nm ( 1476 ibf ft)


  • AKQ部分回转智能型电动执行器
  • AKQ部分回转智能型电动执行器
royal皇家88国际相关的文章
相关产品
  • AKQ部分回转智能型电动执行器
    AKQ部分回转智能型电动执行器

Top