products
产品中心

电动阀门系列 > 手/电动蝶阀系列

  • D941X电动法兰软密封蝶阀

D941X电动法兰软密封蝶阀

关键词:D941X电动法兰软密封蝶阀
产品概述:产品简介:D941X电动法兰软密封蝶阀产品设计新颖、合理,结构简单、体积小、重量轻,90度回转启闭迅速,操力矩小,操作方便,省力灵巧。可以任何位置安装、维修方便。密封件可以更换,密封性能可靠达到双向密封零泄漏,密封材料耐老化、耐腐蚀,使用寿命长等特点。法兰蝶…
产品详情 图片集锦

产品简介:

  D941X电动法兰软密封蝶阀产品设计新颖、合理,结构简单、体积小、重量轻,90度回转启闭迅速,操力矩小,操作方便,省力灵巧。可以任何位置安装、维修方便。密封件可以更换,密封性能可靠达到双向密封零泄漏,密封材料耐老化、耐腐蚀,使用寿命长等特点。

  法兰蝶阀处于完全开启位置时,蝶板厚度是介质流经阀体时^的阻力,因此通过该阀门所产生的压力降很小,故具有较好的流量控制特性。蝶阀不仅在石油、煤气、化工、水处理等一般工业上得到广泛应用,而且还应用于热电站的冷却水系统。


技术参数:



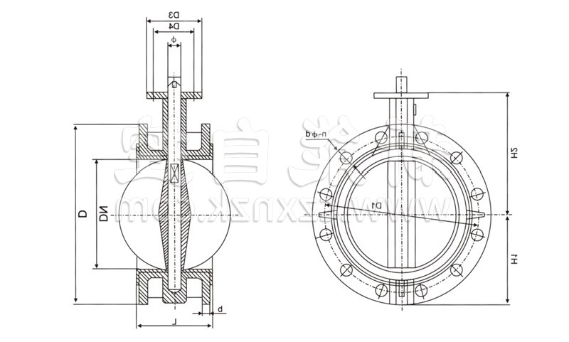
结构图:


主要尺寸表:


royal皇家88国际相关的文章
相关产品
  • D971X电动对夹橡胶蝶阀
    D971X电动对夹橡胶蝶阀
  • D941X电动法兰软密封蝶阀
    D941X电动法兰软密封蝶阀
  • D971XT电动脱硫对夹蝶阀
    D971XT电动脱硫对夹蝶阀
  • D971H电动硬密封对夹蝶阀
    D971H电动硬密封对夹蝶阀
  • D941H电动硬密封法兰蝶阀
    D941H电动硬密封法兰蝶阀
  • D941W电动通风蝶阀
    D941W电动通风蝶阀

Top